Kod QR
Produkty
Skontaktuj się z nami


Faks
+86-574-87168065

E-mail

Adres
Obszar przemysłowy Luotuo, Dystrykt Zhenhai, Ningbo City, Chiny
Raydafon SWC-DH krótkie spawanie spawalnicze uniwersalne jest zbudowane w celu połączenia niewłaściwych wałów w wytrzymałym sprzęcie-myślenie toczących się, wciągników i maszyn do przetwarzania stali. Jest to kompaktowe, krótkie, uniwersalne sprzężenie, o średnicy witryny, która wynosi od 45 mm do 390 mm. Nawet gdy wały są wyłączone nawet o 25 stopni (niewspółosiowość kątowa), nadal skutecznie porusza się momentem - maxy z prędkością 1000 kN · m, co pasuje do mocy ciężkiego sprzętu.
Robimy to ze stalą o wysokiej wytrzymałości 35CRMO i dodajemy cztery łożyska igły, dzięki czemu utrzymuje się pod dużymi obciążeniami. Właśnie dlatego jest to solidny wybór do uniwersalnych sprzęgów maszyn przemysłowych i działa świetnie jako ciężkie sprzęt spawane uniwersalne sprzężenia w miejscach, w których ładunki pozostają wysoko. Jego krótkofleksja jest idealna do maszyn z niewielkim miejscem do ruchu osiowego-daje trudną poprawkę do przekładni na trudne przestrzenie przemysłowe.
Raydafon jest chińskim producentem z certyfikatem ISO 9001, więc trzymamy się ścisłych zasad jakości dla każdego uniwersalnego sprzężenia SWC-DH. Wał krzyżowy dostaje chromowany płytkę do walki z korozją, więc trwa nawet gdy warunki są surowe. Spawane jarzmo również ułatwia instalację - po prostu ustawił wału w porządku i działa najlepiej. Znajdziesz go na sprzęcie w systemach metalurgii, górnictwa i dźwigów, nie ma problemu.
Ponadto to sprzężenie występuje w różnych rozmiarach i ocen momentach obrotowych. Jeśli potrzebujesz niestandardowego uniwersalnego sprzężenia dla maszyn przemysłowych - powiedzmy, dla kombajnów lub innego konkretnego sprzętu - możemy go dostosować do twoich potrzeb, a cena pozostaje konkurencyjna. Mamy know-how produkcji, aby to krótkie eleganckie sprzężenie ograniczały przestoje sprzętu, więc twoje maszyny działają bardziej niezawodnie.
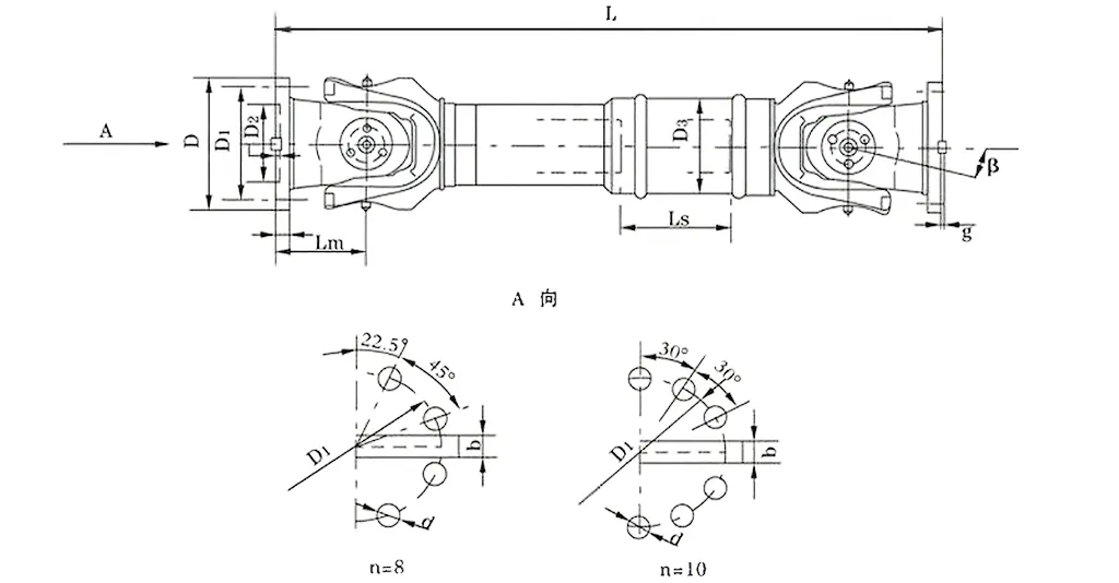
| NIE. | Średnica żyrowa d mm | Nominalny moment obrotowy Tn Kn · m | Osi składane kąt β (°) | Zmęczony moment obrotowy tf Kn · m | Elastyczna ilość Ls mm | Rozmiar (mm) | Obrotowa bezwładność kg.m2 | Waga (kg) | |||||||||||
| LMin | D1 (JS11) | D2 (H7) | D3 | LM | N-D | k | t | b (H9) | g | LMin | Zwiększyć 100 mm | LMin | Zwiększyć 100 mm | ||||||
| SWC180DH1 | 180 | 20 | 10 | ≤25 | 75 | 650 | 155 | 105 | 114 | 110 | 8-17 | 17 | 5 | - | - | 0.165 | 0.0070 | 58 | 2.8 |
| SWC180DH2 | 55 | 600 | 0.162 | 56 | |||||||||||||||
| SWC180DH3 | 40 | 550 | 0.160 | 52 | |||||||||||||||
| SWC225DH1 | 225 | 40 | 20 | ≤15 | 85 | 710 | 196 | 135 | 152 | 120 | 20 | 5 | 32 | 9.0 | 0.415 | 0.0234 | 95 | 4.9 | |
| SWC225DH2 | 70 | 640 | 0.397 | 92 | |||||||||||||||
| SWC250DH1 | 250 | 63 | 31.5 | ≤15 | 100 | 795 | 218 | 150 | 168 | 140 | 8-19 | 25 | 6 | 40 | 12.5 | 0.900 | 0.0277 | 148 | 5.3 |
| SWC250DH2 | 70 | 735 | 0.885 | 136 | |||||||||||||||
| SWC285DH1 | 285 | 90 | 45 | ≤15 | 120 | 950 | 245 | 170 | 194 | 160 | 8-21 | 27 | 7 | 40 | 15.0 | 1.876 | 0.0510 | 229 | 6.3 |
| SWC285DH2 | 80 | 880 | 1.801 | 221 | |||||||||||||||
| SWC315DH1 | 315 | 125 | 63 | ≤15 | 130 | 1070 | 280 | 185 | 219 | 180 | 10-23 | 32 | 8 | 40 | 15.0 | 3.331 | 0.0795 | 346 | 8.0 |
| SWC315DH2 | 90 | 980 | 3.163 | 334 | |||||||||||||||
| SWC350DH1 | 350 | 180 | 90 | ≤15 | 140 | 1170 | 310 | 210 | 267 | 194 | 10-23 | 35 | 8 | 50 | 16.0 | 6.215 | 0..2219 | 508 | 15.0 |
| SWC350DH2 | 90 | 1070 | 5.824 | 485 | |||||||||||||||
| SWC390DH1 | 390 | 250 | 125 | ≤15 | 150 | 1300 | 345 | 235 | 267 | 215 | 10-25 | 40 | 8 | 70 | 18.0 | 11.125 | 0.2219 | 655 | |
| SWC390DH2 | 90 | 1200 | 10.763 | 600 | |||||||||||||||
* 1. TF-Under alternation ładuj moment obrotowy, który pozwala na wytrzymałość zmęczeniową. * 2. Lmin-najmniejsza długość po cięciu. * 3. Długość instalacji L, która jest zgodnie z wymogiem
Uniwersalne połączenie połączeń SWC, często nazywane uniwersalnym połączeniem stawu SWC Cardan Cardan, jest kluczowym elementem w ciężkich scenariuszach przemysłowych. Jest niezbędny do toczących się młynów, wyciągania maszyn i różnych dużych systemów maszyn. Jako uniwersalne połączenie stawów o wysokiej czułości, może skutecznie łączyć dwa wały transmisyjne z osiami niekwestionymi, zapewniając nieprzerwaną transmisję mocy nawet w złożonych i trudnych warunkach pracy.
Podstawowe parametry techniczne tego sprzężenia są następujące:
Średnica korzenia: φ58 - φ620
Nominalny moment: 0,15 - 1000 kN · m
Kąt fałdowania osi: ≤25 °
W praktycznych zastosowaniach działa wyjątkowo dobrze. Na przykład podczas operacji młynów toczących się, gdy potrzebne jest niezawodne, uniwersalne połączenie, dedykowane dla młynów toczących się, lub w urządzeniu do podnoszenia i materiałów obsługi materiałów, gdy wymagane jest trwałe połączenie wału łącznego SWC, produkt jest w pełni kompetentny. Nawet pod dużymi obciążeniami może stabilnie utrzymać stabilność operacyjną sprzętu.
SWC Universal Joinping jest zaprojektowane przy użyciu zaawansowanych zasad inżynierii, zapewniając wyjątkową wydajność i dłuższą żywotność usług w środowiskach przemysłowych. Jego główne cechy strukturalne są następujące:
Rozsądna i bezpieczna struktura: z zintegrowanym konstrukcją głowy widelca, to uniwersalne połączenie stawów przemysłowych zmniejsza ryzyko rozluźnienia lub pęknięcia śrub, zwiększając wytrzymałość strukturalną o 30%-50%. Ta konstrukcja zapewnia bezpieczne i niezawodne działanie, rozszerza żywotność usług w porównaniu z tradycyjnymi modelami i zapobiega powszechnym awarie w scenariuszach pod wysokim ciśnieniem, takimi jak uniwersalne systemy sprzęgania stawów ciężkich maszyn.
Ulepszona pojemność obciążenia: Uniwersalne połączenie stawowe SWC jest specjalnie zaprojektowane do noszenia ciężkich obciążeń, co czyni go niezbędnym w scenariuszach wymagających doskonałego zarządzania obciążeniem, takimi jak maszyny wydobywcze lub budowlane.
Wysoka wydajność transmisji: Przy wydajności do 98,6%, to wydajne uniwersalne połączenie połączeń dla transmisji o dużej mocy znacznie zmniejsza zużycie energii i powiązane koszty, co czyni go pierwszym wyborem dla energooszczędnych uniwersalnych rozwiązań łączenia stawu w systemach transmisji przemysłowej o dużej mocy.
Stabilna operacja z niskim szumem: to uniwersalne połączenie stawów o niskim poziomie szumu działa stabilnie z poziomami hałasu zwykle między 30-40 dB (a), zapewniając cichą wydajność. Jest idealny do środowisk wrażliwych na hałas przy jednoczesnym zachowaniu wysokiej niezawodności.
Uniwersalne połączenia stawowe, zwłaszcza uniwersalne połączenie połączeń SWC Cardan Shaft, stały się niezbędnymi komponentami przesyłowymi w zastosowaniach przemysłowych ze względu na ich wyjątkowe zalety. Mogą zaspokoić podstawowe potrzeby dzięki ich wydajnościom w polach, takich jak ciężkie maszyny, precyzyjne produkcja i transmisja energii. Poniżej znajduje się szczegółowa analiza ich kluczowych zalet:
1. Silna transmisja momentu obrotowego i doskonała kompensacja niewspółosiowości
Jako uniwersalne połączenie stawów o wysokiej czułości może stabilnie przenosić obciążenia o dużej mocy. Nawet w scenariuszach, w których niewspółosiowość wału występuje często podczas operacji młynów toczącego-takie jak przesunięcie osiowe spowodowane zużyciem wałków i zmianami temperatury podczas stalowego walcowania-to niezawodne uniwersalne połączenie stawowe do operacji młyna toczącego się może z łatwością sobie z tym poradzić. Może jednocześnie kompensować niewspółosiowość kątową, osiową i promieniową, z maksymalną kątową niewspółosiową do 25 stopni. Ta doskonała niewspółosiowość dostosowawcza zapobiega zacięciu transmisji spowodowanej niewspółosiowością wału, zapewnia ciągłe i stabilne dostarczanie mocy, znacznie zmniejsza prawdopodobieństwo niepowodzeń mechanicznych w ekstremalnych warunkach pracy i gwarantuje ciągłe działanie linii produkcyjnych.
2. Wysoka trwałość i dłuższa żywotność
Projektowanie i wybór materiału uniwersalnych połączeń stawowych SWC koncentruje się na „odporności na ciężkie obciążenia i wytrzymałości trudnych środowisk”. Główny korpus jest wykonany ze stali stopowej o wysokiej wytrzymałości, w połączeniu ze zintegrowaną strukturą głowy widelca, która zasadniczo zmniejsza wspólne punkty awarii, takie jak rozluźnienie śrub i pękanie składowe. Przyjmując trwałe uniwersalne sprzężenie wału połączeń SWC stosowane w urządzeniach do podnoszenia i obsługi materiałów jako przykład, może wytrzymać natychmiastowe obciążenie uderzenia przy podnoszeniu ciężkich obiektów i utrzymać stabilną wydajność w trudnych środowiskach, takich jak kurz i wysokie temperatury. W porównaniu z tradycyjnymi połączeniami z dzielnicy struktury, to przemysłowe uniwersalne połączenie stawowe ma ogólną wytrzymałość wzrosła o 30–50%, co nie tylko zmniejsza częstotliwość codziennej konserwacji, ale także wydłuża żywotność usług o 2-3 lata. Jest szczególnie odpowiedni do długoterminowych potrzeb operacyjnych o wysokim obciążeniu uniwersalnych systemów sprzęgania stawów ciężkich.
3. Wysoka wydajność transmisji i znaczący efekt oszczędzania energii
Testy wykazały, że wydajność transmisji ciężkiego uniwersalnego sprzęgła stawowego SWC wynosi nawet 98,6%, co ma oczywiste zalety w scenariuszach przekładni przemysłowej o dużej mocy-takim jak wentylatory wielokrotności pieców w roślinach stalowych i systemach przenoszenia węgla w elektrowniach. W przypadku urządzeń, które wymagają ciągłej transmisji o dużej mocy, dopasowanie do tego wydajnego uniwersalnego połączenia złącza dla dużej transmisji mocy może zminimalizować utratę mocy. W przypadku przedsiębiorstw realizujących energooszczędne uniwersalne rozwiązania łączące połączenie, tę wysoką wydajność można bezpośrednio przekształcić w korzyści kosztów: przyjęcie silnika przemysłowego o pojemności 1500 kW jako przykład może zaoszczędzić ponad 12 000 juanów w kosztach energii elektrycznej rocznie i może pomóc przedsiębiorstwom obniżyć znaczne koszty operacyjne w długoterminowym użyciu, a jednocześnie przestrzegając energii i zobowiązania.
4. Stabilna i cicha operacja, odpowiednia dla wielu scenariuszy
Optymalizując dokładność dopasowania łożyska i stosując smar smarowy o niskim współczynniku tarcia, szum roboczy tego uniwersalnego sprzężenia stawowego o niskim poziomie szumu jest ściśle kontrolowana przy 30-40 dB (a), co jest równoważne poziomowi hałasu w otoczeniu codziennego biura biura i w pełni jest zgodne z standardami emisji hałasu. W scenariuszach wrażliwych na hałas-takich jak linie produkcyjne w zakładach przetwórstwa spożywczego i wyposażenie wyposażenia precyzyjnych komponentów elektronicznych-może nie tylko zapewnić stabilność i niezawodność systemu transmisji, ale także uniknąć wpływu na środowisko warsztatowe lub wrażenia robocze pracowników z powodu hałasu. Jednocześnie stabilna charakterystyka transmisji może również zmniejszyć zużycie otaczających komponentów spowodowanych wibracjami sprzętu, dodatkowo poprawiając stabilność pracy i żywotność obsługi całego systemu produkcyjnego.
Uniwersalne sprzężenie spawalnicze SWC-DH krótkie flex, często określane jako uniwersalne połączenie złącza SWC Cardan Salan, jest używane głównie w scenariuszach ciężkich maszyn, takich jak młynki i wciągniki. Ten rodzaj sprzętu ma wyjątkowo wysokie wymagania dotyczące zwartości strukturalnej i elastyczności - tylko poprzez spełnienie tych dwóch punktów można osiągnąć wydajne działanie, a to połączenie doskonale zaspokaja takie potrzeby. Jako uniwersalne połączenie stawów o wysokiej czułości, może skutecznie łączyć dwa wały transmisyjne z osiami niekwestionymi, zapewniając bezproblemową transmisję mocy nawet w trudnych środowiskach przemysłowych, które wymagają precyzyjnej rekompensaty za niewspółosiowość systemu wału.
W praktycznych zastosowaniach, niezależnie od tego, czy podczas pracy w młynach toczącym się konieczne jest niezawodne uniwersalne połączenie stawowe do operacji toczenia, czy wymagane jest trwałe uniwersalne sprzężenie wału SWC w sprzęcie do podnoszenia i obsługi materiałów, produkt ten może działać doskonale-może utrzymać stabilne działanie sprzętu nawet przy ekstremalnych obciążeniach. Jego przewaga zdolności adaptacyjnej jest szczególnie widoczna w kompaktowych układach sprzętu, w których przestrzeń jest ograniczona i wymagana jest krótka elastyczna konstrukcja.
To uniwersalne połączenie SWC-DH jest zbudowane z zaawansowaną technologią inżynieryjną i zoptymalizowane pod kątem wydajności i serwisu specjalnie do scenariuszy przemysłowych. Jego podstawowa cecha strukturalna polega na rozsądnej i bezpiecznej konstrukcji: zintegrowana struktura głowy widelca zasadniczo eliminuje ukryte zagrożenia związane z rozluźnieniem lub pęknięciem śrub, zwiększając ogólną wytrzymałość o 30%-50%. Projekt ten zapewnia nie tylko bezpieczeństwo i niezawodność działania, ale także rozszerza żywotność usług w porównaniu z tradycyjnymi modelami, jednocześnie unikając powszechnych problemów z awarią w scenariuszach aplikacji wysokiej stresu, takich jak uniwersalne systemy sprzęgania stawu ciężkiego.
Ponadto jego pojemność obciążenia jest zwiększona dzięki projektowi, aby wytrzymać większe wagi, więc to ciężkie uniwersalne sprzężenie połączeń SWC jest bardzo odpowiednie do scenariuszy o ścisłych wymaganiach dotyczących pojemności nośnej, takich jak maszyny wydobywcze i sprzęt budowlany. Pod względem wydajności transmisji osiąga do 98,6%. Jako wydajne uniwersalne połączenie złącza dla dużej transmisji mocy, może znacznie zmniejszyć zużycie energii i koszty energii elektrycznej, co czyni go preferowanym produktem dla energooszczędnych uniwersalnych roztworów łączenia stawów w dziedzinie transmisji przemysłowej o dużej mocy.
Wreszcie, ta sprzężenie ma stabilną transmisję, z szumem roboczym zwykle kontrolowanym przy 30-40 dB (a), co czyni go nisko szumem uniwersalnym połączeniem stawowym. Ta charakterystyka pozwala mu działać cicho nawet w wrażliwych hałasach scenariuszach przemysłowych przy jednoczesnym zachowaniu wysokiej niezawodności.
⭐⭐⭐⭐⭐ Wang Lei, inżynier projektu, Guangdong Heavy Machinery Co., Ltd.
Od jakiegoś czasu używamy SWC-DH SWC-Flex Spawanie SWC-DH SWC Flex Spawanie w naszych ciężkich maszynach, a to była miła niespodzianka-zwłaszcza jeśli chodzi o zamontowanie w ciasnych miejscach. Nasz sprzęt ma dość ograniczoną przestrzeń do części transmisji, ale kompaktowy projekt tego sprzężenia pasuje jak rękawica, nie trzeba zmieniać innych elementów, aby działało.
Jeszcze lepsze jest to, że nie poświęca wydajności dla wielkości. Nadal zapewnia silną, stałą transmisję momentu obrotowego-krytyczny dla naszych ciężkich operacji. Prowadziliśmy go ciągle przez tygodnie, a wibracje zero nienormalne; Cały system pozostaje gładki. Jakość spawania jest również kolejną atrakcją-możesz powiedzieć, że jest solidna, po prostu patrząc na nią, co daje nam całkowitą pewność, że utrzyma długoterminowe intensywne użytkowanie. W przypadku sprzęgania, które równoważy oszczędzającą przestrzeń projekt i niezawodność, ten jest zwycięzcą.
⭐⭐⭐⭐⭐ Zhao Ming, menedżer ds. Zamówień, Tianjin Steel Equipment Co., Ltd.
Niedawno zamówiliśmy kilka złącze SWC-DH od Raydafona i muszę powiedzieć, że cały proces zamówień był prosty-bez bólu głowy, bez opóźnień. Od momentu wysłania zamówienia ich zespół był responsywny, a dostawa pojawiła się w zaplanowanym terminie, co jest dużym plusem dla utrzymania naszej produkcji na dobrej drodze. Opakowanie było również na najwyższym poziomie: każde sprzężenie było bezpiecznie zapakowane, bez wgniecenia ani szkód podczas wysyłki-po prostu gotowe do rozpakowania i zainstalowania.
Nasz zespół techniczny poradził sobie z konfiguracją i od razu wspomnieli, jak łatwo było montować. Bez skomplikowanych kroków, nie trzeba polować na specjalne narzędzia - szybko je dopasowały i od tego czasu działa niezawodnie. Kiedy weźmiesz pod uwagę rozsądną cenę w połączeniu z tą konsekwentną wydajnością, jasne jest, że to sprzężenie oferuje doskonałą wartość. Planujemy już przechowywać go na naszej regularnej liście zamówień; Jest to rodzaj produktu, który ułatwia moją pracę jako kupującego.
⭐⭐⭐⭐⭐ Liu Hong, dyrektor ds. Konserwacji, Shandong Industrial Group
Jako ktoś, kto nadzoruje konserwację sprzętu, moim największym priorytetem jest ograniczenie przestojów i skrócenie czasu, w którym mój zespół wydaje na serwis. Sprzężenie SWC-DH Raydafona doskonale sprawdza oba pola. Używamy go w sprzęcie, który działa codziennie pod ciężkimi obciążeniami, i nigdy nie poślizgnie się ani nie przesuwa - nie ma mocno na miejscu, bez luźnych połączeń. Nawet po miesiącach użytkowania nie ma prawie żadnego znaku zużycia, co stanowi ogromny kontrast z innymi sprzężeniami, których użyliśmy wcześniej.
W przypadku tych starszych sprzężeń zawsze planowaliśmy szybkie poprawki lub częściowe zamienniki, które zjadły czas produkcji i stał się kosztami. Ten? Ledwo go dotykamy - nie często obsługujemy, nie ma nieoczekiwanych awarii. Zaoszczędziło nam tyle czasu i pieniędzy na konserwację, a po prostu niezawodnie wykonuje swoją pracę. W dzisiejszych czasach stało się to komponentem w naszych codziennych operacjach; Nie muszę się martwić o to, że się nie uda, co pozwala mi skupić się na innych priorytetach. Jest to dokładnie rodzaj niezawodnej części, jaką potrzebuje każdy zespół konserwacyjny.
Adres
Obszar przemysłowy Luotuo, Dystrykt Zhenhai, Ningbo City, Chiny
Tel


+86-574-87168065


Obszar przemysłowy Luotuo, Dystrykt Zhenhai, Ningbo City, Chiny
Copyright © Raydafon Technology Group Co., Limited Wszelkie prawa zastrzeżone.
Links | Sitemap | RSS | XML | Polityka prywatności |
