Kod QR
Produkty
Skontaktuj się z nami


Faks
+86-574-87168065

E-mail

Adres
Obszar przemysłowy Luotuo, Dystrykt Zhenhai, Ningbo City, Chiny
Jeśli masz do czynienia z maszynami, takimi jak pompy, które poruszają płyny przez cały dzień, wentylatory, które utrzymują wentylowane przestrzenie lub sprzęt tekstylny, który działa bez przerwy - potrzebujesz sprzężenia, które jest wystarczająco elastyczne, aby poradzić sobie z małymi niewspółponowonymi, ale wystarczająco twardymi, aby utrzymać ciągły moment obrotowy. Właśnie po to zbudowano elastyczne sprzężenie nylonowego Raydafona nylonowego sprzętu. Obsługuje do 4 mm osiowej niewspółosiowości i 2 stopnie niewspółosiowości kątowej, więc nawet gdy twoje wały nie są doskonale ustawione, utrzymuje sprzęt bez żadnych problemów.
Mamy modele od NL1 aż do NL10, więc jest odpowiednia do prawie każdej lekkiej do średniej pracy. Pojemności momentu obrotowego wahają się od 40 N · m do 3150 N · m, a średnice otworu wzrosną od 6 mm do 100 mm - nie trzeba polować na rozmiar, który jest zbyt duży lub zbyt mały. To, co wyróżnia elastyczne sprzężenie nylonowe, to jego budowa: nylonowa rękaw z wysokiej wytrzymałości w połączeniu ze stalowymi piastami. Ta kombinacja oznacza, że jest cicho i ledwo musisz go dotknąć w celu konserwacji - bez stałych kontroli lub poprawek, aby cię spowolnić. Jest to elastyczne sprzężenia biegów do maszyn przemysłowych, a jeśli specjalnie pracujesz z pompami, jest to jedno z najbardziej niezawodnych nylonowych sprzęgów z rękawami dla pomp. Ponadto jego kompaktowa konstrukcja pasuje do ciasnych konfiguracji i działa płynnie między -20 ° C do +70 ° C -bez względu na to, czy przestrzeń robocza jest chłodna lub ciepła.
W Raydafon tworzymy te sprzężenia w Chinach i trzymamy się ściśle do standardów ISO 9001 - wszystkie części zostaje sprawdzone, aby upewnić się, że jest trwały i gotowy do trwania. Nylonowa rękaw jest nie tylko silna, ale także niekondukcyjna i odporna na korozję. Jest to zmieniające się grę w wilgotnych przestrzeniach lub obszarach z chemikaliami, w których inne sprzężenia mogą rdzewieć lub skrócić-ten ciągnie się dłużej. A jego prosta struktura sprawia, że montaż i demontaż jest dziecinnie proste: bez skomplikowanych narzędzi, po prostu szybka praca, gdy trzeba ją zamienić lub wykonać konserwację. Właśnie dlatego jest to najlepszy wybór niestandardowych złącze nylonowych - możemy go dostosować, aby pasowało do konkretnej konfiguracji - i jest to jedno z najtrwalszych elastycznych sprzętów sprzętowych dla urządzeń tekstylnych, utrzymując stały ruch maszyn do tkania lub wirowania.
Oferujemy wszelkiego rodzaju rozmiary i konfiguracje wału, dzięki czemu otrzymujesz sprzężenie dostosowane do Twojej maszyny-nie jest opcją dla jednego rozmiaru. I utrzymujemy cenę konkurencyjną, więc nie musisz przekraczać jakości. Dla firm na całym świecie oznacza to mniej przestojów (ponieważ jest łatwy w instalacji i utrzymaniu) oraz lepszą wydajność sprzętu - dokładnie to, czego potrzebujesz, aby działalność działała płynnie.
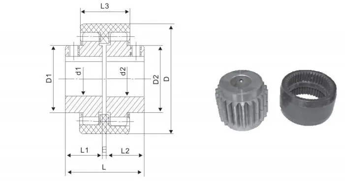
Podstawowa logika elastycznego sprzęgła nylonowego nylonowego sprzężenia nylonowego opiera się na zębach zębate zębatego w celu osiągnięcia transmisji momentu obrotowego, podczas gdy nylonowa rękaw w środku, jako kluczowy elastyczny komponent, może nie tylko skutecznie kompensować niewspółosiowość systemu wału, ale także odgrywać ważną rolę w amortyzowaniu. W tym konstrukcji dwa piasty z zębami zewnętrznymi są połączone przez wbudowany nylonowy rękaw wewnętrzny. Ta kombinacja zapewnia nie tylko wydajną transmisję mocy w układach mechanicznych, ale także znacząco zmniejsza wibracje i uderzenia wygenerowane podczas pracy. Ta przewaga projektowa jest szczególnie widoczna w przypadkach aplikacji nylonowych sprzęgów nylonowych typu NL elastyczne sprzężenia, które należy dostosować do małego i średniej wielkości sprzętu.
Gdy wał napędowy przenosi moment obrotowy do jednego z piast, zewnętrzne zęby na pionie będą dokładnie łączyć z zębami wewnętrznymi nylonowej rękawy przekładni, a następnie nylonowy rękaw wewnętrzny będzie płynnie przenoszony moc do drugiego piasty podłączonego do napędzanego wału. Nawet w warunkach pracy, w których występuje niewspółosiowość kątowa, równoległa lub osiowa w systemie wału, ten mechanizm transmisji siatki może nadal zapewnić stabilne działanie sprzętu. Dlatego na polach wymagających niezawodnych elastycznych roztworów sprzężenia biegów, takich jak systemy skrzyni biegów zautomatyzowanych linii produkcyjnych, zasilanie sprzętu pompy i urządzenia napędowe przenośników, elastyczne sprzężenie nylonowe nylonowe jest preferowanym produktem.
Materiał nylonowy stosowany w samym elastycznym sprzężeniu nylonowym typu NL ma doskonałą elastyczność i właściwości tłumienia, które mogą nie tylko zmniejszyć zużycie połączonego z nim sprzętu mechanicznego, ale także przedłużyć żywotność serwisu całego systemu transmisji. Jako profesjonalny producent sprzętu, Raydafon wybiera zaawansowane materiały i optymalizuje proces produkcyjny przy wytwarzaniu sprzężeń typu NL, umożliwiając produktom utrzymanie doskonałej wydajności w złożonych warunkach pracy w różnych branżach. Na przykład w scenariuszach dotyczących zmiennych obciążeń nylonowe sprzężenie nylonowe nylonowe sprzężenie nylonowe wytwarzane przez Raydafona może polegać na doskonałej zdolności kompensacji niewspółosiowości w celu uniknięcia awarii transmisji spowodowanych niewspółosiowością systemu wału i zmniejszenie przestoju sprzętu.
Aby utrzymać elastyczne sprzężenie nylonowe nylonowe, utrzymując stabilną wydajność pracy, niezbędna jest codzienna konserwacja, spośród których regularne smarowanie części zębów przekładni jest kluczowym ogniwem. Rozsądne smarowanie może zmniejszyć utratę tarcia podczas siatki zębów przekładni, dodatkowo poprawić stabilność operacji sprzężenia i zmniejszyć prawdopodobieństwo awarii. Zasadniczo zasadą pracy elastycznego sprzęgła nylonowego typu NL jest osiągnięcie silnej transmisji momentu obrotowego, jednocześnie uwzględniając elastyczność i stabilność układu transmisji poprzez synergiczny efekt sztywnego piasty i elastycznej nylonowej rękawy. Jako doświadczony dostawca sprzętu sprzętowego, Raydafon zawsze kontroluje precyzję i niezawodność produktu w ścisłych standardach, aby zapewnić klientom w różnych branżach z nylonowym sprzętem nylonowym nylonowym produktami z silną adaptacją i wysoką trwałością.
Elastyczne sprzężenie nylonowego typu NL typu NL jest specjalnie zaprojektowane do zastosowań o wysokiej wydajności w wymagających scenariuszach mechanicznych. Zapewnia stabilną transmisję energii, jednocześnie elastycznie dostosowując się do niewspółosiowości wału, co czyni go wysoce konkurencyjną opcją w kategorii nylonowych sprzężeń zębate. Kluczową atrakcją projektu tego sprzęgła jest jego nylonowa rękaw o wysokiej wytrzymałości, która nie tylko opiera sprzężenie z doskonałą zdolnością deformacji elastycznej, ale także znacznie zwiększa trwałość ogólnej struktury. To sprawia, że jest to szczególnie odpowiednie jako krytyczny elastyczny nylonowy element sprzężenia sprzętu z rękawami w urządzeniach przemysłowych, który działa przez dłuższy czas.
Pod względem pojemności transmisji momentu obrotowego nylonowe sprzężenie nylonowe sprzężenie nylonowe zapewniają wyjątkową wydajność, łatwe do obsługi wymagań obciążenia o wysokim obciążeniu. Niezależnie od tego, czy w wytrzymałościach maszynowych, maszynach wydobywczych czy urządzeń przenośnych na dużą skalę-z których wszystkie wymagają wysokiej niezawodności przesyłania mocy-działa stabilnie, ustalając się jako preferowany model sprzężenia nylonowego z wysokim komputerem w wielu warunkach pracy. Rozwiązując się do powszechnego problemu niewspółosiowości wału podczas pracy mechanicznej, to elastyczne sprzężenie nylonowe zębate wykazuje również doskonałą zdolność adaptacyjną. Może skutecznie wchłaniać i kompensować niewspółosiowość kątową, równoległą niewspółosiowość i niedopasowanie osiowe, co znacznie zmniejszając dodatkowe naprężenie dla połączonych wałów i pomagając przedłużyć żywotność całego systemu transmisji. Ta funkcja jest szczególnie kluczowa dla sprzętu produkcyjnego, który wymaga długoterminowej ciągłej pracy.
Ponadto nylonowy materiał nylonowego sprzętu nylonowego typu NL z natury ma doskonałe wchłanianie wstrząsu i właściwości buforowania. Podczas pracy sprzętu może skutecznie zmniejszyć wpływ wibracji i wstrząsów, zapewniając gładsze działanie systemu transmisji. W związku z tym w dynamicznych warunkach pracy z częstymi wibracjami stał się preferowanym roztworem sprzęgania nylonowego sprzęgła nylonowego dla wielu przedsiębiorstw. Pod względem odporności na korozję, oprócz doskonałej odporności na korozję chemiczną nylonowej rękawy, metalowe elementy tego sprzężenia ulegają specjalnym obróbce, umożliwiając stabilne działanie w środowiskach wilgotnych, zakurzonych lub lekko żrących. W porównaniu z tradycyjnymi sztywnymi sprzężeniami, wykazuje silniejszą zdolność adaptacyjną w trudnych warunkach pracy, w pełni spełnia wymagania sektora przemysłowego dotyczące trwałych nylonowych sprzężeń.
Z perspektywy obsługi i konserwacji nylonowe sprzężenie nylonowego sprzętu NL przyjmuje konstrukcję bez konserwacji. Eliminuje potrzebę częstego dodawania lub korektę smaru, co nie tylko zmniejsza obciążenie codziennej konserwacji, ale także obniża ryzyko awarii sprzętu spowodowanych niewłaściwą konserwacją. To skutecznie kontroluje koszty operacyjne i przestoje, doskonale dostosowujące się do kryteriów selekcji branż realizujących wydajną i niską konsumpcję produkcji dla elastycznych sprzętu z niskim utrzymaniem. Tymczasem jego ogólna struktura jest lekka i kompaktowa, ułatwiając prostą i szybką instalację i demontaż. Nawet w układach sprzętu o ograniczonej przestrzeni montaż tego kompaktowego sprzężenia nylonowego można łatwo ukończyć, dodatkowo poprawiając wydajność instalacji i konserwacji sprzętu.
Podsumowując, integracja nylonowego sprzęgła nylonowego typu NL z systemem przesyłowym zapewnia bardziej stabilne i wydajne wsparcie operacyjne sprzętu. Szczególnie w precyzyjnym polu produkcyjnym, w którym wymagana jest bardzo precyzyjna transmisja, to wysokowydajne sprzężenie nylonowe rękawy-z jego zoptymalizowaną konstrukcją-zyskuje wiele wymagań dokładności transmisji, niezawodności i zdolności adaptacyjnej, służąc jako istotny komponent w zwiększaniu ogólnej wydajności sprzętu.
Elastyczne sprzężenie nylonowego sprzętu nylonowego typu NL działa jako część przekładni dla wszystkich rodzajów mechanicznych konfiguracji wymagających stałego przenoszenia mocy. Wyróżnia się to nylonowa rękaw - zgina się w prawo, aby wchłonąć wibracje i naprawić małe niewspółosiowości wału, dzięki czemu jest idealny do użytku sprzężenia biegów, w którym potrzebujesz niezawodnego ruchu momentu obrotowego bez zbyt szybkiego zużycia części.
Weźmy na przykład maszyny przemysłowe. To sprzężenie doskonale nadaje się do podłączania silników do pomp lub sprężarek. Kiedy te maszyny działają, często wysyłają nagłe obciążenie wstrząsu przez system, ale elastyczne sprzężenie nylonowe nylonowe sprzężenie nylonowe łagodzi ten wpływ, pomagając całej konfiguracji trwaj dłużej. A na liniach przenośnych - wiesz, te, które poruszają materiały bez przerwy w fabrykach - to przemysłowe nylonowe sprzęty sprzętu rękawowe utrzymuje gładko, nawet gdy się zmienia obciążenie. W przeciwieństwie do starych sztywnych połączeń, które często się rozpadają, ten obniża przestoje i pieniądze, które wydawisz na naprawienie rzeczy.
Używa go również świat motoryzacyjny i transportowy, szczególnie w przypadku szybów napędowych i części kierownicy. Samochody i ciężarówki mają do czynienia z wieloma skręcającymi wibracjami podczas poruszania się, ale to elastyczne sprzężenie sprzętu do napędów samochodowych nasila te. To nie tylko sprawia, że pojazd biegał lepiej, ale także bezpieczniejszy - nie ma dziwnych koktajli zrzucających kierownictwo lub zużycie pociągu napędowego.
Jeśli chodzi o precyzyjne zastosowania sprzężenia biegów, takie jak maszyny CNC lub roboty przemysłowe, to sprzężenie naprawdę świeci. Te maszyny obracają się szybko i wymagają bardzo dokładnego ruchu, ale nawet niewielkie niewspółosiowości wału (takie jak kąty lub zmiany równoległe) mogą zepsuć. Elastyczne sprzężenie nylonowego sprzętu nylonowego typu NL naprawia te problemy, jednocześnie nadążając za dużą prędkością. Dlatego tak wiele firm budujących zautomatyzowane linie montażowe szuka tego nylonowego sprzężenia sprzętu dla precyzyjnego sprzętu CNC, gdy potrzebują niestandardowych konfiguracji.
Znajdziesz go również w systemach HVAC i oczyszczalni wody. Te miejsca często używają wentylatorów i dmuchaw, a jeśli te części wibrują zbyt wiele, stają się głośne i rozpadają się. To elastyczne sprzężenie przekładni w tłumienie wibracji dla wentylatorów HVAC utrzymuje hałas, a sprzęt działa stabilnie-nieoczekiwane zatrzymanie procesów ogrzewania/chłodzenia lub wody.
Podsumowując, elastyczne sprzężenie nylonowego sprzętu NL jest przyjaznym dla budżetu dla prawie każdej branży. Jest trudny, łatwy w instalacji i wykonuje zadanie. Jeśli szukasz niezawodnego dostawcy sprzętu przemysłowego, Raydafon może połączyć Cię z niestandardowymi opcjami, które pasują do twoich dokładnych potrzeb-więc masz najlepszą wydajność i długotrwałą część.
⭐⭐⭐⭐⭐ Wang Lei, inżynier mechanika, Guangzhou Machinery Co., Ltd.
Od jakiegoś czasu mamy nylonowe sprzężenie nylonowe Raydafona na naszych liniach montażowych, i było to stałym wykonawcy - bardziej niezawodne niż niektóre inne sprzężenia, które próbowaliśmy. Nylonowa konstrukcja przekładni jest tutaj wyróżniającą się: porusza się płynnie moment obrotowy, bez szarpania transferów i zmniejsza wibracje tak bardzo, że można powiedzieć, jak działają maszyny.
Instalacja była również całkowitą bryą. Nie mamy dużo dodatkowej przestrzeni w naszym sprzęcie, ale to sprzęgło idealnie pasowało od pudełka - nie trzeba nic zmodyfikować. Działa bez przerwy i nie ma prawie żadnego znaku zużycia; Ta trwałość oznacza, że nie zatrzymujemy produkcji, aby ją naprawić lub wymieniać tak często. Podsumowując, jest to solidny, opłacalny wybór, który robi dokładnie to, czego potrzebujemy.
⭐⭐⭐⭐⭐ John Smith, kierownik zakładu, Chicago Industrial Solutions, USA
Zamieniliśmy nasze stare metalowe sprzężenie na nylonowy sprzęt NL Raydafona w naszym obiekcie w Chicago, a zmiana była nocą i dniem - mogłeś poczuć, że wystrzeliliśmy maszyny. Wibracje, które zwykłe do luźnych części grzechotają? Stracony. Głośny szum ze starego sprzężenia? Tak bardzo ucichałem, że podłoga jest spokojniejsza. I transfer mocy? Jak to możliwe, nawet gdy uruchamiamy ciężkie obciążenia.
Co więcej, radzi sobie z niewspółosiowością znacznie lepszą niż metalowy, jaki kiedykolwiek zrobił - nie poprawiając go co tydzień, aby wszystko było na dobrej drodze. Raydafon dostał to również szybko; Dostawa była zgodna z harmonogramem, a najwyższej jakości-bez tanich części ani tandetnej pracy. Powiedziałem już kilku innym menedżerom roślin o tym; Jest to rodzaj produktu, o którym chcesz przekazać słowo.
⭐⭐⭐⭐⭐ Anna Müller, nadzorca konserwacji, Monachium Inżynieria, Niemcy
Kilka miesięcy temu umieściliśmy sprzężenie NL Raydafona w naszej szybkiej maszynach, a dla naszego zespołu zmieniło się to. Materiał nylonowy jest inteligentnym połączeniem - nie zużywa się tak szybko jak metal, więc nie zastępujemy części tak często i jest o wiele spokojniejszy. To może wydawać się małe, ale cichszy sklep oznacza mniej zmęczeni dla zespołu i mniej rozproszeń podczas sprawdzania sprzętu.
Jest wystarczająco elastyczny, aby poradzić sobie z niewielkimi przesunięciami, które są wyposażone w bieganie, ale wciąż wystarczająco silne, aby utrzymać pod presją-nie zginając ani łamanie. Instalacja była również prosta; Nasi technicy ustawili go w ciągu godziny, bez skomplikowanych instrukcji. Od czasu zainstalowania go mieliśmy mniej zatrzymań maszynowych i wszystko działa płynniejsze. Udowodniono, że Raydafon jest dostawcą, na który możemy liczyć - nie zaskakuje, tylko dobre produkty.
⭐⭐⭐⭐⭐ Carlos Martínez, dyrektor operacyjny, Madryt Manufacturing Corp., Hiszpania
Elastyczne sprzężenie nylonowego sprzętu NL typu Raydafona jest dokładnie produktem wysokiej jakości, którego szukaliśmy. Dodaliśmy go do naszej linii produkcyjnej, mając nadzieję na ograniczenie wibracji i zwiększenia wydajności - i dostarczono ono na obu przypadkach, bez zadawania pytań. Nylonowy sprzęt nadaje mu odpowiednią elastyczność, aby sprawować gładko, ale nie poświęca siły - nawet gdy naciskamy linię, aby spełnić ciasne terminy.
Jest również kompaktowy, co jest dużym plusem dla naszej konfiguracji; Nie mamy dużo dodatkowej przestrzeni, a to sprzężenie pasuje do samego zatłoczenia innych części. Używamy go od miesięcy i nie było żadnych problemów - bez podziałów, żadnych dziwnych dźwięków, tylko konsekwentna wydajność. Pomiędzy samym produktem a wielką usługą, którą otrzymaliśmy od Raydafona, jesteśmy bardziej niż zadowoleni. Ten jest opiekunem.
Adres
Obszar przemysłowy Luotuo, Dystrykt Zhenhai, Ningbo City, Chiny
Tel


+86-574-87168065


Obszar przemysłowy Luotuo, Dystrykt Zhenhai, Ningbo City, Chiny
Copyright © Raydafon Technology Group Co., Limited Wszelkie prawa zastrzeżone.
Links | Sitemap | RSS | XML | Polityka prywatności |
