Kod QR
Produkty
Skontaktuj się z nami


Faks
+86-574-87168065

E-mail

Adres
Obszar przemysłowy Luotuo, Dystrykt Zhenhai, Ningbo City, Chiny
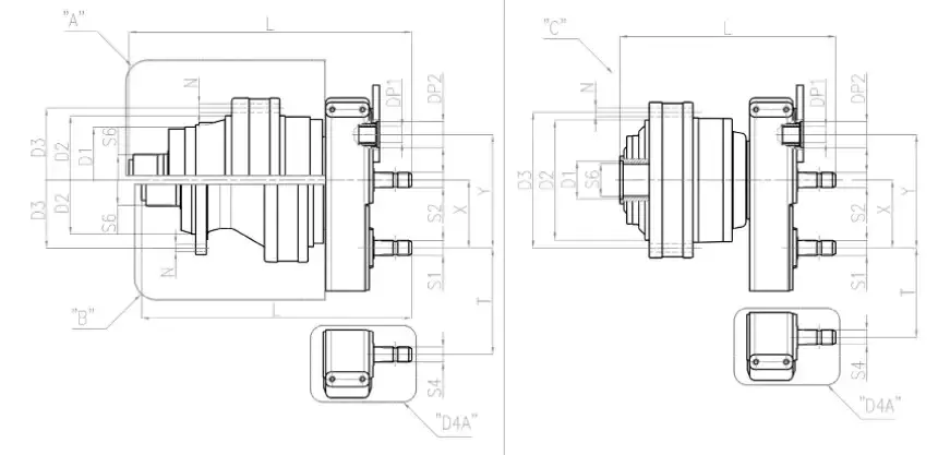
| Model | PG-702 | PG-1002 | PG-1602 | PG-1802 | PG-2502 | PG-3002 | PG-3503 | |||
| Stosunek i | 18.2 | 18.3 | 13.4-33.6 | 15.7-29.9 | 14.6-20-36.2 | 45.3 | 53.7 | |||
| Typ wyjściowy | B | B | B | C | B | C | A | C | C | C |
| D1 |
|
|
|
88HB |
|
88HB | 245F7 | 102H7 | 102H7 | 122HF |
| D2 | 200f7 | 230F7 | 230F7 | 278F7 | 230f | 278F7 | 340F7 | 340F7 | 340F7 | 340F7 |
| D3 | 250 | 295 | 295 | 314 | 295 | 314 | 370 | 370 | 370 | 370 |
| N | ∅15 × n ° 12 | ∅17 × n ° 10 | ∅17 × n ° 10 | ∅15 × n ° 18 | ∅17 × n ° 10 | ∅15 × n ° 18 | ∅17 × n ° 15 | ∅17 × n ° 15 | ∅17 × n ° 15 | ∅17 × n ° 15 |
| L | 646.5 | 627.5 | 693 | 490.5 | 714 | 499.5 | 798.5 | 595.5 | 601 | 680.5 |
| S6 | 70*64 DIN5482 | 80*74 DIN5482 | 100*94 DIN5482 | 80*74 DIN5482 | 100*94 DIN5482 | 80*74 DIN5482 | 100*94 DIN5482 | 100*94 DIN5482 | 100*94 DIN5482 | 120*22*5 DIN5482 |
| S1 | 1 "3/8 Z6 | 1 "3/8 Z6 | 1 "3/8 Z6 | 1 "3/8 Z6 | 1 "3/8 Z6 | 1 "3/8 Z6 | 1 "3/8 Z6 | 1 "3/8 Z6 | 1 "3/8 Z6 | 1 "3/8 Z6 |
| S2 | 1 "3/8 Z6 | 1 "3/8 Z6 | 1 "3/8 Z6 | 1 "3/8 Z6 | 1 "3/8 Z6 | 1 "3/8 Z6 | 1 "3/8 Z6 |
|
|
|
| DP1 | 40*36 DIN5482 | 40*36 DIN5482 | 40*36 DIN5482 | 40*36 DIN5482 | 40*36 DIN5482 | 40*36 DIN5482 | 40*36 DIN5482 | 40*36 DIN5482 | 40*36 DIN5482 | 40*36 DIN5482 |
| DP2 | 60,3HB | 60,3HB | 60,3HB | 60,3HB | 60,3HB | 60,3HB | 60,3HB | 60,3HB | 60,3HB | 60,3HB |
| X | 157 | 157 | 157 | 157 | 157 | 157 | 157 | 157 | 157 | 157 |
| Y | 262 | 262 | 262 | 262 | 262 | 262 | 262 | 262 | 262 | 262 |
| S4 |
|
|
|
1 "3/8 Z6 |
|
1 "3/8 Z6 |
|
1 "3/8 Z6 | 1 "3/8 Z6 | 1 "3/8 Z6 |
| T |
|
|
|
156.8 |
|
156.8 |
|
156.8 | 156.8 | 156.8 |
| Model | Stosunek i | D1 | D2 | D3 | D4 | N | E |
| PG-1602 | 22.14-33.6 | 80*74 DIN5482 | 225 F7 | 278 F7 | 314 | ∅15 × n ° 18 | Sae b/sae c |
| PG-2502 | 20-36.2 | 100*94 DIN5482 | 245 F7 | 340F7 | 370 | ∅17 × n ° 15 | Sae b/sae c |
| Model | Stosunek i | D1 | D2 | D3 | N | E |
| PG-161 | 3,55-2.49-5.60 | 40*36 DIN5482 | 110 F7 | 165 | ∅10,5 × n ° 8 | SAE A/SAE B/SAE BB/OMTS |
| PG-251 | 4.13-5.17-6.00 | 58*53 DIN5482 | 150 f7 | 195 | ∅13 × n ° 10 | SAE A/SAE B/SAE BB/OMTS |
| PG-501 | 4.13-5.17-6.00 | 58*53 DIN5482 | 150 f7 | 195 | ∅13 × n ° 10 | SAE A/SAE B/SAE BB/OMTS |
RozwójPG Series Mikser Planetary GearboxWynika z głębokiego wglądu w punkty bólu w systemie transmisji tradycyjnego sprzętu do mieszania. Jego trzy planetarne architektura transmisji rozłożonej na biegu nie jest prostym układaniem struktur mechanicznych, ale poprzez powtarzaną symulację warunków naprężeń przy różnych stosunkach surowca, złotą kombinację modułu przekładni, szerokości zęba i kąta helisy jest ostatecznie określany. Na przykład, podczas przetwarzania łodyg kukurydzy i mieszanin posiłków sojowych, jego unikalny, ekologiczny projekt zęba może zmniejszyć ryzyko zagłuszania materiału o 15%. W przypadku wysokiej precyzyjnej szlifowania chropowatość powierzchni zęba jest kontrolowana poniżej RA0.8, co zwiększa wydajność transmisji o 8% -10% w porównaniu z tradycyjnymi skrzyniami biegów. Zmierzone dane fabryki paszowej pokazują, że w ciągu 12 godzin ciągłej pracy dziennie zużycie energii tej skrzyni biegów jest o 14% niższe niż w przypadku podobnych produktów, a amplituda fluktuacji momentu obrotowego wału mieszającego jest zmniejszona o 22%, co znacznie poprawia jednolitość mieszania.
W przypadku twardych cząstek, takich jak piasek, kamień i metalowe resztki, które są często mieszane w surowcach zasilających, ta skrzynia biegów była ukierunkowana pod względem materiałów i procesów. Korpus przekładni jest wykonany ze stali stopowej 20crmnti. Po zabiegu głębokości gaźnika 1,2 mm, w połączeniu z procesem temperatury o niskiej temperaturze, wytrzymałość zmęczenia zębów zębów wzrasta do ponad 850 MPa. W skrajnych warunkach pracy niekompletnych badań przesiewowych surowców na ranczu jego oporność na wżery wytrzymała ciągły 500-godzinny test uderzenia piasku i żwiru, a na powierzchni zęba pojawiły się tylko niewielkie zadrapania. Jednocześnie, poprzez optymalizację układu płyty żebra i obciążenia wstępnego nośnika planetarnego, skrzynia biegów może nadal utrzymać dokładność transmisji, gdy jest poddawana natychmiastowego wpływu 1,5 -krotnego momentu obrotowego, unikając ryzyka niewłaściwości sprzętu lub pęknięcia zęba spowodowanego przez przeciążenie.
Inteligentna konstrukcja skrzyni biegów wywodzi się z głębokiego zrozumienia bólu działania i konserwacji w branży przetwarzania zasilającego. Jego wbudowany inteligentny moduł monitorowania nie jest prostym kolektorem danych, ale analiza krzyżowa temperatury, wibracji, prądu i innych sygnałów za pośrednictwem modelu algorytmu. Na przykład, gdy temperatura łożyska zostanie wykryta jako nienormalnie wysoka, system połączy dane dotyczące historii obciążenia, aby ustalić, czy jest to niewystarczające smarowanie lub zużycie łożyska, i pchnie zalecenia dotyczące konserwacji. Po zastosowaniu tego systemu firma zasilająca uniknęła trzech nieplanowanych przestrzegów, zastępując tłuszcz i dostosowując prześwit łożyska, a ogólna wydajność sprzętu (OEE) wzrosła o 18%. Ponadto zaprojektowanie modułowej struktury szybkiego uwalniania zostało zainspirowane sprzętem zwrotnym personelu konserwacyjnego pierwszej linii. Tylko cztery śruby należy rozluźnić, aby zakończyć ogólną wymianę zestawu biegów planetarnych, a czas konserwacji jest skrócony z 4 godzin tradycyjnej konstrukcji do 1,5 godziny.
Pod względem ochrony środowiska i optymalizacji efektywności energetycznej innowacyjny projekt skrzyni biegów wynika z precyzyjnego zrozumienia potrzeb branży paszowej w celu obniżenia kosztów i zwiększenia wydajności. Jego struktura rozpraszania ciepła nie ślepo zwiększa powierzchnię rozpraszania ciepła, ale optymalizuje kąt spiralny i odstępy żeber rozpraszania ciepła poprzez symulację mechaniki płynów, tak że naturalna wydajność rozpraszania ciepła wzrasta o 30%, zmniejszając w ten sposób zużycie energii wentylatora chłodzącego. W systemie smarowania technologia zaopatrzenia w olej z podwójną strefą jest przyjmowana w celu dynamicznego dostosowania objętości oleju zgodnie z obciążeniem, unikając metody smarowania „powodziowych” tradycyjnych skrzyni biegów i zmniejszając zużycie smaru o 25%. Rzeczywisty pomiar linii produkcyjnej paszowej eksportowanej do Europy pokazuje, że poziom hałasu skrzyni biegów jest o 5dB niższy niż standard UE, a jego poziom efektywności energetycznej osiąga standard IE3, pomagając klientom skuteczne zdanie certyfikacji efektywności energetycznej kraju importowania. Ta koncepcja projektowa, która głęboko wiąże szczegóły techniczne o wartości komercyjnej, jest kluczem do uznania rynku zwycięskiego produktu.
Cześć! Jestem Elena García, klient z Barcelony w Hiszpanii. Od półtora roku używamy twojej planetarnej skrzyni biegów w naszym systemie śledzenia panelu fotowoltaicznego. Ten sprzęt całkowicie rozwiązał nasz problem dokładności śledzenia słonecznego - skrzynia biegów, której używaliśmy, zanim zawsze miała odchylenie śledzenia około 5 stopni każdego ranka i wieczora, podczas gdy Twoja planetarna skrzynia biegów z enkoderem może kontrolować błąd śledzenia w odległości 0,5 stopnia. Teraz średnia codzienna wytwarzanie energii paneli fotowoltaicznych wzrosła o 18% w porównaniu z wcześniej, a nawet rachunek za prąd stał się znacznie cieńszy. Teraz ta planetarna skrzynia biegów przetrwała test spray solnych i silnych wiatrów w elektrowni fotowoltaicznej na morzu. Powłoka przeciwkorozowa obudowy skrzyni biegów nie wykazała żadnych oznak upadku, a wewnętrzny olej zębatkowy nie trzeba wymieniać tak często jak wcześniej. Z niecierpliwością czekam na współpracę z Tobą w projektach energii odnawialnej w przyszłości!
Jestem Hans Müller, inżynierem mechanicznym z Niemiec. Pół roku temu kupiłem planetarne skrzyni biegów Raydafona do aktualizacji linii produkcji. Po ich użyciu przekroczyli moje oczekiwania! Sprzęt działa z wysokim obciążeniem przez 16 godzin dziennie, aby przetwarzać surowce o wysokiej wartości. Hałas skrzyni biegów jest zmniejszony o 20%, wydajność transmisji jest stabilna na poziomie ponad 94%, wzrost temperatury jest zawsze kontrolowany w ciągu 25 ° C, a trwałość jest znacznie lepsza od starych modeli. Twój zespół był profesjonalny i wydajny przez cały proces, od wczesnej optymalizacji parametrów, regulacji struktury uszczelniania po zdalne wytyczne debugowania. Szczegółowa konstrukcja (np. Uszczelki odporne i znormalizowane otwory do montażu) dodatkowo odzwierciedla głębokie zrozumienie rzeczywistych warunków pracy. Poziom jakości produktu i usługi Raydafona sprawiły, że bez wahania uwzględniłem go na liście długoterminowych dostawców i zdecydowanie polecam to moim rówieśnikom!
Prowadzę ranczo od tylu lat i zmieniłem wiele skrzyni biegów. Dopiero kiedy użyłem planetarnej skrzyni biegów Raydafona, naprawdę zdałem sobie sprawę, co to znaczy być wolnym! Sprzęt, którego użyłem wcześniej, był zawsze słabo upoważniony podczas mieszania kiszonki, a biegi często się poślizgały. Nie spodziewałem się, że Twoja planetarna skrzynia biegów będzie tak potężna. Twój produkt jest znacznie prostszy do zainstalowania, niż myślałem, a także łatwy w utrzymaniu. Ostatnim razem, gdy sam wykonałem codzienną inspekcję, odkryłem, że skrzynia biegów była bardzo dobrze zapieczętowana i w ogóle nie było śladu wycieku oleju. Na pewno będę cię wspierać w przyszłości i polecam was moim znajomym ranczerowi! ---- Mark Johnson
Adres
Obszar przemysłowy Luotuo, Dystrykt Zhenhai, Ningbo City, Chiny
Tel


+86-574-87168065


Obszar przemysłowy Luotuo, Dystrykt Zhenhai, Ningbo City, Chiny
Copyright © Raydafon Technology Group Co., Limited Wszelkie prawa zastrzeżone.
Links | Sitemap | RSS | XML | Polityka prywatności |
