Produkty
Holowanie i podnoszenie cylindra dla maszyn rolniczych
  • Holowanie i podnoszenie cylindra dla maszyn rolniczychHolowanie i podnoszenie cylindra dla maszyn rolniczych
  • Holowanie i podnoszenie cylindra dla maszyn rolniczychHolowanie i podnoszenie cylindra dla maszyn rolniczych

Holowanie i podnoszenie cylindra dla maszyn rolniczych

Jako długo ugruntowany producent zakorzeniony w Chinach, Raydafon przyniósł opłacalne cylindry holownicze i podnoszące do maszyn rolniczych do sektora rolnego, polegając na własnej fabryce i dojrzałej technologii. Po rozsądnej cenie stał się zaufanym dostawcą wielu rolników i spółdzielni rolniczych. Ten cylinder holowania i podnoszenia maszyn rolniczych jest wykupiony zagęszczoną stalą stopową i wzmacniana przez siedem procesów gaszenia. Może łatwo podnieść 3-tonowe maszyny rolnicze i jest wystarczająco mocny do podnoszenia i obniżania sprzętu lub ładowania i rozładowywania przyczep. Dzięki niezawodnej jakości i troskliwej usługi posprzedażnej, cylindry holowania i podnoszenia Raydafona dla maszyn rolniczych pomagają w produkcji rolniczej w różnych miejscach w wydajnym działaniu.

Towing And Lifting Cylinder For Agricultural Machinery

Funkcje produktu

Raydafon, jako chiński producent głęboko zaangażowany w dziedzinę hydrauliczną, stworzył opłacalny cylinder holowania i podnoszenia maszyn rolniczych z kunsztem własnych mistrzów fabryki. Z rozsądną ceną stał się zaufanym dostawcą wielu gospodarstw i fabryk maszyn rolniczych. Ten cylinder jest przeznaczony do złożonych warunków pracy na polach uprawnych, a jego trzy podstawowe zalety ułatwiają działalność rolniczą.


Potężny i trwały, z pełną odpornością na kucie: cylinder holowania i podnoszenia Raydafona dla maszyn rolniczych jest wykupiony ze stali stopowej klasy wydobywczej, ściana cylindra jest o 30% grubsza i jest wbijana w osiem procesów piatowania, z twardością porównywalną z trasami kolejowymi. Może stabilnie podnieść 3,5 ton maszyn rolniczych, a orka i przenoszenie ciężkiego sprzętu nie stanowi problemu. Powierzchnia jest pokryta czterema warstwami powłoki przeciwkorozyjnej. Po dwóch latach ciągłego stosowania w lądzie soli-alkali i mokrych polach ryżowych korpus cylindrów jest nadal tak jasny jak nowy bez wycieku kropli oleju.


Tak stabilne jak góra, elastyczna w obsłudze: oryginalny dwukierunkowy system bilansu hydraulicznego pozwala na podnoszenie i dokładnie opuszczenie wyboistych grzbietów holownika i podnoszenia. Wbudowany czujnik ciśnienia automatycznie wyzwala ochronę po przeciążeniu i zatrzymuje działanie w ciągu 0,3 sekundy.


Dostosowywany na żądanie, bezproblemowe posprzedaż: obsługuje pełne dostosowywanie pozycji portu oleju i długości udaru mózgu oraz może dostosowywać się do starych modeli i importowanych maszyn rolniczych. Instalacja wymaga tylko zaostrzenia kilku śrub, a zwykli operatorzy maszyn rolniczych mogą to zrobić zgodnie z instrukcjami. Przeszedł podwójny certyfikat ISO 9001 i przemysłu rolnego, i odpowiedział w ciągu 24 godzin, jeśli wystąpił problem. Produkt Raydafona jest „twardym pomocnikiem” do obniżenia kosztów i zwiększenia wydajności produkcji rolnej.

Towing And Lifting Cylinder For Agricultural Machinery


Zastosowanie produktu

Podczas operacji orki holowanie i podnoszenie cylindrów dla maszyn rolniczych to „moc” wyposażenia orki. Pług odwracający ciągnięty przez ciągnik musi często dostosowywać głębokość penetracji gleby. Cylinder olejowy wytwarzany przez Raydafona może szybko i dokładnie podnieść i obniżyć korpus pługa, a także może stabilnie wywierać siłę podczas napotkania twardych bloków gleby, zapewniając jednolite głębokość orki i znacznie poprawiając wydajność orki. Jest również niezbędny w procesie siewu. Na siewniku cylinder olejowy kontroluje podnoszenie i obniżenie miernika nasion oraz ciśnienie koła ciśnieniowego. Podczas siewu cylinder olejowy umożliwia koło ciśnieniowe zagęszczenie gleby odpowiednią siłą, aby zapewnić bliski kontakt między nasionami i glebą i poprawić szybkość pojawienia się; Podczas przenoszenia działek może szybko podnieść miernik nasion, aby ułatwić ruch maszyny.


W etapie zbioru cylinder holowania i podnoszenia do maszyn rolniczych na kombajnach odgrywa kluczową rolę. Po tym, jak pudełko na ziarno będzie jedynie obsługiwać cylinder olejowy, aby łatwo podnieść skrzynkę ziarna i szybko rozładować ziarno na pojazd transportowy. Cały proces jest płynny i oszczędny. Ponadto, podczas zbioru upadłych upraw, cylinder olejowy może również elastycznie dostosować wysokość nagłówka, aby zapewnić płynne zbiór. Ponadto, w przypadku sprzętu do transportu rolnego, takich jak wywrotki rolnicze, cylinder olejowy kontroluje podnoszenie i obniżenie wiadra. Wiadro wypełnione słomą i nawozem można automatycznie przechylić i rozładować, pchając cylinder olejowy, który jest kilkakrotnie bardziej wydajny niż obsługa ręczna. Jako dostawca, który wysyła bezpośrednio z fabryki, Raydafon zapewnia rolnikom i firmom maszyn rolniczych w przystępnych cenach i trwałej produktach poprzez produkcję na dużą skalę, pomagając na każdym etapie produkcji rolniczej.

Towing And Lifting Cylinder For Agricultural Machinery


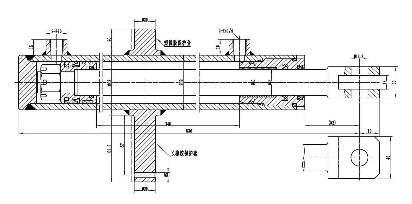
Parametr produktu:

Model cylindra Specyfikacje Presja robocza Maksymalne wytrzymanie ciśnienia Wycieczka Odległość instalacji Waga
Hcyy111112017 Φ40 × φ25 × 348 16.7mpa 24,5 MPA 348 536 6 kg

Towing And Lifting Cylinder For Agricultural Machinery



Gorące Tagi: Holowanie i podnoszenie cylindra dla maszyn rolniczych
Wyślij zapytanie
Informacje kontaktowe
W przypadku zapytań na temat cylindrów hydraulicznych, skrzyni biegów, wałów WOM lub cenowej, zostaw swój e -mail do nas, a my zostaniemy w kontakcie w ciągu 24 godzin.
X
Używamy plików cookie, aby zapewnić lepszą jakość przeglądania, analizować ruch w witrynie i personalizować zawartość. Korzystając z tej witryny, wyrażasz zgodę na używanie przez nas plików cookie. Polityka prywatności
Odrzucić Przyjąć