Kod QR
Produkty
Skontaktuj się z nami


Faks
+86-574-87168065

E-mail

Adres
Obszar przemysłowy Luotuo, Dystrykt Zhenhai, Ningbo City, Chiny
Power „Relay Race”: skrzynia biegów miksera pasz jest jak „kapitan przekaźnika” do przesyłania mocy. Po uruchomieniu silnika zasilanie jest najpierw przesyłane do wału wejściowego skrzyni biegów, a następnie „zmiana prędkości” osiąga się poprzez siatkę grupy biegów o różnych rozmiarach w pudełku. Na przykład, jeśli wał wejściowy obraca się 1000 razy na minutę, wał wyjściowy może obracać się tylko 100 razy po przekładce grupy przekładni, ale moment obrotowy jest znacznie wzmocniony. Ta silna moc jest następnie przekazywana do wału mieszającego, umożliwiając łopatki mieszające się szybko wymieszać paszę, łatwo radząc sobie z „towarami twardymi”, takimi jak pasza o wysokiej zawartości włókien.
Precyzyjne siatki, zmniejszona strata: Przekładnie w skrzyni biegów nie są dopasowane losowo. Przekładnie wytwarzane przez Raydafona mają kształt zęba, który został precyzyjnie obliczony i przetworzony, i pasuje ciasno podczas siatki, jak dwa kawałki układanki, które idealnie pasują do siebie. W ten sposób podczas przenoszenia mocy jest bardzo niewielkie tarcie, mniej straty energii, a większość mocy można wykorzystać do mieszania. To jak zainstalowanie „rdzenia energooszczędnego” na mikserze paszowym, co sprawia, że praca jest bardziej energetyczna bez marnowania energii.
Elastyczna regulacja w celu zaspokojenia potrzeb: różne kanały i różne ilości mieszania wymagają różnych prędkości. Piękno przekładni miksera paszowego polega na tym, że można ją elastycznie regulować. Zmieniając kombinację zestawów biegów, można osiągnąć różne współczynniki prędkości, aby zaspokoić różnorodne potrzeby. Jeśli chcesz szybko wymieszać kiszonkę i skoncentrować się, zwiększyć prędkość; Jeśli chcesz obsługiwać kruche surowce, obniż prędkość i wymieszaj powoli, a skrzynia biegów może zrobić wszystko.
Stabilne wsparcie i trwałość: korpus skrzyni biegów jest równoważny „opiekuńcy” całego systemu transmisji. Materiał z żeliwa z wysokiej wytrzymałości, silny i odporny na wstrząs, może stabilnie wspierać wewnętrzne biegi i łożyska. Łożyska wewnętrzne są specjalnie smarowane w celu gładkiego obrotu i zmniejszonego zużycia. Nawet jeśli wibracje są generowane podczas miksowania zasilającego, skrzynia biegów może zapewnić stabilne zaangażowanie biegów, stale wyjściowe moc stabilną i wydłużyć ogólną żywotność usług.
Proces produkcji produktu Raydafona został ściśle przetestowany i może być w pełni działający po faktycznej instalacji. Wybór naszych produktów oznacza, że wybrałeś spokój ducha.
| Stosunek | Wejście R.P.M |
Moc wejściowa | Wyjście | Model | Uwagi | |
| KW | HP | Nm | ||||
| 16.1: 1 | 540 | 44.7 | 60 | 11600 | G1-0314 |
|
| 19.4: 1 | 540 | 26.1 | 35 | 8600 | G1-0514 |
|
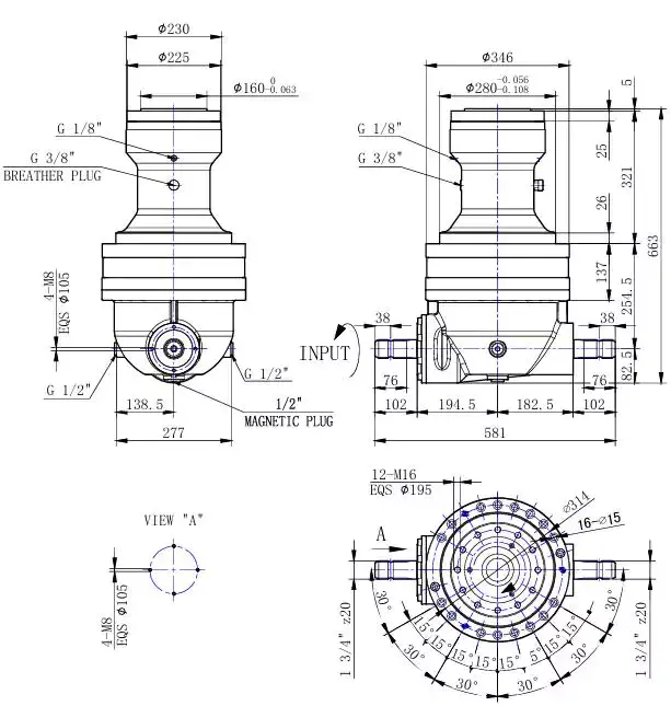
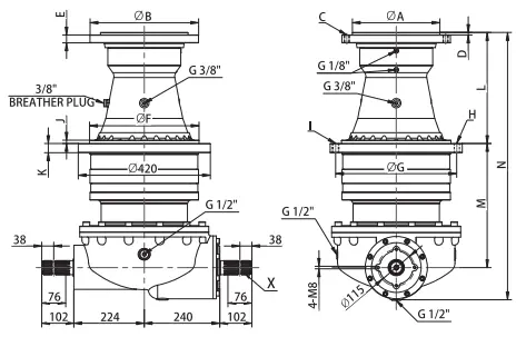
| Numer | A | B | C | D | E | F | G | H | 1 | J | K | L | M | N | ||||||||||||||||||
| 1 | ⌀200 H7 | ⌀278 | 12-M16 Eqs⌀245 | 15 | 25 | ⌀280 F7 | ⌀380 | 12-M16 |
|
26 | 30 | 353 | 300 | 785 | ||||||||||||||||||
| 2 | ⌀200 H7 | ⌀278 | 12-M16 Eqs⌀245 | 15 | 25 | ⌀280 F7 | ⌀380 | 12-M16 |
|
26 | 30 | 353 | 402.5 | 857.5 | ||||||||||||||||||
| 3 | ⌀278 H8 | ⌀345 | 15-M16 Eqs⌀314 | 8 | 25 | ⌀348 H8 | ⌀385 | 12-⌀17 | 2-M18 | 10.5 | 29 | 351 | 321.5 | 774.5 | ||||||||||||||||||
| 4 | ⌀278 H8 | ⌀345 | 15-M16 Eqs⌀314 | 8 | 25 | ⌀348 H8 | ⌀385 | 12-⌀17 | 2-M18 | 10.5 | 29 | 351 | 394 | 847 | ||||||||||||||||||
| 5 | ⌀154,8 H8 | ⌀ 250 | 12-M20*1,5 Eqs⌀205 | 12 | 39 | ⌀348 H8 | ⌀385 | 12-⌀17 | 2-M18 | 10.5 | 29 | 354.5 | 321.5 | 778 | ||||||||||||||||||
| Stosunek | lnput R.P.M |
Moc wejściowa | Wyjście Nm |
Wał wejściowy | Uwagi | |||||||||||||||||||||||||||
| kW | HP | |||||||||||||||||||||||||||||||
| 13.4: 1 | 540 | 85.8 | 115 | 17984 | X |
|
||||||||||||||||||||||||||
| 14.6: 1 | 540 | 70.8 | 95 | 16187 | X |
|
||||||||||||||||||||||||||
| 16.1: 1 | 540 | 63.4 | 85 | 15971 | X |
|
||||||||||||||||||||||||||
| 18.2: 1 | 540 | 44.7 | 60 | 12744 | X |
|
||||||||||||||||||||||||||
| 21.1: 1 | 540 | 37.3 | 50 | 12312 | X |
|
||||||||||||||||||||||||||
| 25.9: 1 | 1000 | 82 | 110 | 17954 | X |
|
||||||||||||||||||||||||||
| 28.3: 1 | 1000 | 67.1 | 90 | 16051 | X |
|
||||||||||||||||||||||||||
Stalowe „korpus” jest super trwałe: ta skrzynia biegów jest wykonana z zagęszczonego żeliwa o wysokiej wytrzymałości, a całe pudełko jest silne jak skorupa zbiornika. Niezależnie od tego, czy jest to wilgotne środowisko podczas mieszania kiszonki, czy gwałtowne wibracje spowodowane obsługą pelletyzowanej pasz, może ono wytrzymać. Przekładnie wewnętrzne są gaźne i gaszone, a twardość powierzchni zęba jest tak wysoka jak HRC58. Odporność na zużycie jest 3 razy silniejsza niż zwykłe przekładnie. Był używany w sposób ciągły od pięciu lub sześciu lat w zakurzonych i ciężkich gospodarstwach gospodarstw, a wydajność jest nadal „online”, a liczba napraw jest bardzo nieliczna.
Transmisja mocy „Zero odpadów”: projekt jest pełen pomysłowości! Dokładność siatki zębatej osiąga poziom włosów, a wydajność transmisji mocy przekracza 95%. Inne skrzynie biegów mogą mieć dużo mocy „wymykają się” podczas miksowania, ale nasza skrzynia biegów miksera pasz dla EP RMG TMR może wykorzystywać całą moc silnika na ostrzu. W przypadku tego samego mieszania 5 ton paszowych korzystanie z naszej skrzyni biegów może wynosić 15 minut szybciej i zaoszczędzić 20% rachunków za energię elektryczną, oszczędzając prawdziwe pieniądze rolników.
„Universal Adapadability” jest bardzo niepokojąca: niezależnie od tego, czy jest to prosty mikser w małej farmie, czy olbrzymim sprzęcie w dużej fabryce paszowej, ta skrzynia biegów może być płynnie podłączona. Współczynnik prędkości można swobodnie dostosowywać z 2: 1 do 15: 1, a szorstki, koncentratowy kanał i mieszany pasza można mieszać, jak chcesz. Instalacja jest również łatwa i nie ma potrzeby wprowadzania poważnych zmian w sprzęcie. Zwykli pracownicy mogą to zrobić w ciągu pół godziny zgodnie z instrukcjami, co jest szczególnie odpowiednie dla rolników, którzy się spieszą. „Inteligentna ochrona” jest super rozważna: skrzynia biegów ma wbudowane urządzenie ochrony przeciążenia. Gdy obciążenie mieszania będzie zbyt duże, automatycznie „zatrzyma się”, aby uniknąć uszkodzenia przekładni, co nie tylko chroni maszynę, ale także zapobiega wypadkom bezpieczeństwa. Ponadto projekt konstrukcyjny jest rozsądny. Możesz zmienić łożysko lub naprawić bieg, otwierając pudełko. To nie jest tak kłopotliwe, jak demontaż „rosyjskiej lalki”. Czas przestoju i konserwacji są znacznie skrócone, zapewniając, że produkcja gospodarstwa nie ustanie.
Jako klient zagraniczny naprawdę chcę podziękować Raydafonowi! Twoja skrzynia biegów miksera pasz jest naprawdę łatwa w użyciu. Od momentu zainstalowania sprzęt działa bardzo płynnie, a wydajność pracy jest znacznie wyższa niż wcześniej. Skrzynia biegów jest wykonana z stałych i trwałych materiałów i jest łatwa w instalacji i utrzymaniu. Rozwiązało stare problemy, jakie mieliśmy na naszym poprzednim sprzęcie. Muszę chwalić w szczególności usługę posprzedażną. Podczas korzystania z niego napotkaliśmy kilka małych pytań, a szybko to rozgryzłeś. To jest bardzo niezawodne. To doświadczenie współpracy jest naprawdę dobre. Poleciłem wasze produkty moim rówieśnikom i nie mogę się doczekać dalszej współpracy w przyszłości! ----- James Carter
Hej, jestem David Johnson, klient Raydafon. Wcześniej kupiłem twoje pudełka na przekładnie miksera i jest naprawdę świetny w użyciu! Po zainstalowaniu tej skrzyni biegów nasz mikser paszowy działa znacznie płynniej niż wcześniej, a wydajność została ulepszona. Martwiłem się o zablokowanie sprzętu, ale teraz nie muszę się o to martwić. To, co sprawia, że czuję się najbardziej wartościowo, jest to, że jest bardzo trwały, materiał jest solidny i utrzymywanie go na co dzień nie jest kłopotliwe. Wystarczy dokręcić kilka śrub i sprawdź poziom oleju, w przeciwieństwie do poprzedniego sprzętu, który należy rzucić co kilka dni. Ostatnim razem, gdy miałem tu małe pytania, wysłałem wiadomość e-mail do Twojej usługi posprzedażnej i otrzymałem odpowiedź tego samego dnia. Inżynier narysował również schematyczny schemat, aby nauczyć mnie, jak go dostosować. Ta usługa jest świetna! Szczerze mówiąc, często rozmawiam o twoich produktach z moimi kolegami, kiedy jem razem obiad. Dobre rzeczy powinny być znane większej liczbie ludzi. Mam nadzieję, że będę nadal współpracować z tobą w przyszłości i żałuję, że Twoja firma stanie się coraz bardziej popularna!
Nazywam się Michael Brown. Trochę się wahałem, kiedy po raz pierwszy kupiłem twoje skrzynie biegów miksera, w końcu wcześniej byłem oszukany przez inne produkty, ale po użyciu ich przez prawie pół roku naprawdę daję mu kciuki! Hałas tej skrzyni biegów jest znacznie mniejszy niż wcześniej. Wcześniej było to grzmot, kiedy był włączony, ale teraz nie muszę krzyczeć podczas rozmowy w warsztacie. Najbardziej zaskakującą rzeczą jest wydajność. Mieszanie partii zasilania zajęło 40 minut, ale teraz można to zrobić za 25 minut, a pasek przenośnika również zwiększył jego prędkość. W zeszłym tygodniu światło wskaźnika skrzyni biegów błysnęło dwukrotnie. Zastanawiałem się, czy jest problem, więc zadzwoniłem do twojej usługi posprzedażnej. Dziewczyna, która odebrała telefon, była bardzo cierpliwa. Pozwoliła mi zrobić kilka zdjęć i poprowadziła mnie do oczyszczenia pyłu z czujnika na miejscu. Zajęło to nie więcej niż 10 minut. Skrzynia biegów jest wykonana z materiałów stałych. Zewnętrzna skorupa wydaje się ciężka. Ostatnim razem wózek widłowy przypadkowo go potarł, pozostawiając mały ślad, ale części w środku nie były dotknięte. Mówiłem o twoich produktach, kiedy piłem z rolnikiem obok. Planuje również zamówić jeden w przyszłym miesiącu! Nie mogę się doczekać wypróbowania twoich nowych akcesoriów w przyszłości i żałuję, że nie stać się silniejszym i silniejszym!
Adres
Obszar przemysłowy Luotuo, Dystrykt Zhenhai, Ningbo City, Chiny
Tel


+86-574-87168065


Obszar przemysłowy Luotuo, Dystrykt Zhenhai, Ningbo City, Chiny
Copyright © Raydafon Technology Group Co., Limited Wszelkie prawa zastrzeżone.
Links | Sitemap | RSS | XML | Polityka prywatności |
